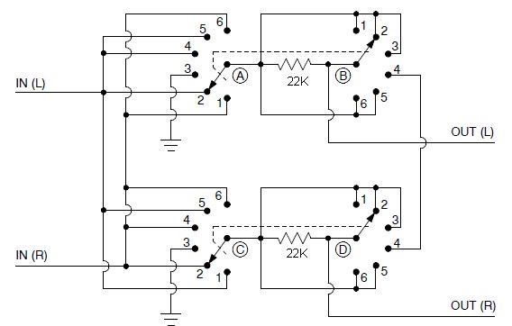
Full Featured Mode Switch
-
Uses a 4 pole, 6 position switch (Goldpoint P/N 2P-6T-2D)
1 = STEREO REVERSE
2 = STEREO
3 = MUTE
4 = MONO
5 = LEFT MONO
6 = RIGHT MONO
Note: The 22K resistors make it so that the system will not sound louder when in Mono. (They are used only in full Mono mode, switch position 4).


goldpointsales@gmail.com